场效应管和晶闸管的区别是什么?
关于这两个电子器件在很多电路中都会遇到,比如场效应管可以作为电磁炉中的开关振荡管、电瓶车充电器电路中作为开关管使用,场效应管尤其在电脑主板中用的比较多;对于晶闸管我们俗称可控硅,这个器件我第一次接触是在学习晶闸管变流技术中使用过,随着后面的学习我发现晶闸管用的也非常多,比如在一些调速风扇的电路中就能够见到可控硅、在智能调光电路中也是用的可控硅和在洗衣机电路中都可以用到可控硅,下面我们来谈谈这两个器件有何区别吧。
第一点是场效应管与晶闸管的控制方式不同
1、场效应管
随着电子技术不断进步,场效应管的种类有好几种,我们最常见的有结型场效应管(FET管)和金属氧化物半导体场效应管(MOSFET管)这两类。这两类场效应管都有一个共同的特点,它们都是利用半导体内的电场效应来控制场效应管电流大小的,下面我用金属氧化物半导体场效应管,也就是我们俗称的MOS管来说明这个问题。比如下图的N沟道场效应管,当栅极与源极间的Ugs电压大于一定值时,并且Uds大于零,这时Rds的等效电阻非常小,就可以有较大的电流由漏极流向源极,它们之间就好像用一根导线连起来一样。

当栅极G与源极S间的Ugs电压小到一定值的时候,或者Ugs电压等于零的时候,那么漏极D和源极S之间的等效电阻就非常大,就像断开的导线一样无论如何是没有电流通过的。由此可见场效应管是通过在栅极和源极之间建立了一定的电压后才控制了漏极与源极之间的接通的。
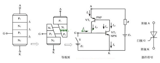
2、晶闸管
下面我们再说一说这个晶闸管,它是一个功率半导体器件,是在二极管的基础上发展起来的,可用于整流半导体器件。下面我们说说如何控制它的通断,要使晶闸管导通要满足两个条件,第一个是要给晶闸管的控制极G加一个触发信号,也就是在门极G和晶闸管的阴极K之间加一个足够大的正向电流与电压,同时呢晶闸管的阳极要高于阴极,这样阳极A与阴极K之间的等效电阻就非常小了,就像用导线连接起来一样。

当要关断晶闸管时,只要我们把阳极A与阴极K之间的电流减小到一定值的时候,这个晶闸管的阳极A与阴极K之间就像断开一样,无法有电流通过。或者我们把晶闸管的阳极A的电压低于阴极K的电压也可以关断这个晶闸管。

通过上面的分析我们可以知道,场效应管与晶闸管的控制方式是不同的,场效应管是电压控制其通断的半导体器件,我们称它是压控型器件;晶闸管的控制方式是由一定的电流值来触发晶闸管的导通,我们俗称它是流控型器件而且它是一个半控型半导体器件,也就是说晶闸管的门控极G只能控制晶闸管的导通而不能控制晶闸管的关断。
第二点是场效应管与晶闸管的输入电阻不同
场效应管的直流等效输入电阻非常高,其阻值可以达到10九次方欧姆,对于MOSFET管来说最高可以达到10十五次方欧姆,鉴于这样的特点来说由场效应管组成的电路功耗都比较小、它的稳定性和抗干扰能力都很强,所以现在很多集成芯片中都采用的是场效应管组成的集成电路,有的工作电压可以低到2V以下。
而对与晶闸管组成的电路来说在输入直流等效电阻方面它比较低、这样就决定了它的功耗非常大,抗干扰能力远不如场效应管,这也就说明了晶闸管组成的电路它的稳定性也不如场效应管。

第三点是场效应管与晶闸管的作用不同
我们从它们的组成结构可以看出,对于场效应管来说它可以放大信号,因此可以用在放大电路中作为放大器来用,也可以作为高速电子开关控制负载的通断,比如开关电源中的场效应管就起到这个功能,同时运用场效应管还可以实现调速控制,比如PWN波的调制输出、令外在调光电路、调温电路等都可以用到。
从晶闸管的工作过程来看它不能用来放大电路的信号,因此它是不可以作为器放大器来使用的。一般晶闸管用在整流电路和控制大负载电路中。当它作为电子开关使用时,其工作频率也没有场效应管高,一般只能用在低速控制的场合。

第四点是场效应管与晶闸管的集成度不同
从场效应管的结构可以看出它的结构相对来说比较简单,尤其在制造工艺上要比晶闸管简单许多,再加上其功耗小,噪声低同时热稳定性也很好,抗辐射能力也强。对于集众多优点于一身的它在大规模和超大规模的集成电路中都会被用到,对于晶闸管来说就无法做到这一点。
第五点是场效应管与晶闸管的“短板”不一样
场效应管在平时储存保管的时候对静电要求非常高,由于MOS管的输入阻抗非常高,在MOS管不使用的时候一定要将栅极G、源极S和漏极D这三个电极短接在一起,这样可以防止场效应管因静电场的电压较高使场效应管损坏。所以场效应管的弱点是对静电的要求比较严格。因此我们在焊接场效应管时所使用的电烙铁要有外接地线,这样可以屏蔽掉交流电场,防止场效应管遭到损坏,当我焊接场效应管时,特别是MOSFET管时,我都是先把烙铁的电源断掉,然后用烙铁的余热去焊接场效应管。而对于晶闸管来说,它的“软肋”是过电流的能力比较差,在组成电路时要设计很多的保护环节,使用相对比较麻烦。
